Испытания балансировочных клапанов

Испытания балансировочных клапанов в соответствии с ГОСТ Р 70338-2022. Проверка продукции для систем отопления и внутреннего инженерного обеспечения.

Испытания балансировочных клапанов

Испытания клапанов балансировочных по ГОСТ Р 70338-2022
Испытания балансировочных клапанов

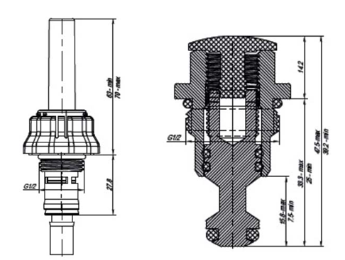
Испытания балансировочных клапанов позволяют оценить соответствие продукции требованиям, предъявляемым к элементам инженерных систем. В НЛЦ ПРОМИ работы выполняются по ГОСТ Р 70338-2022 для клапанов, предназначенных для систем отопления, тепло-, холодоснабжения и горячего водоснабжения. Результаты испытаний помогают заказчику получить достоверные данные о характеристиках изделий и использовать их при подтверждении качества и принятии технических решений.

Преимущества


Профильная лаборатория для испытания сантехнической продукции
Профильная лаборатория для испытания сантехнической продукции
Современное дорогостоящее оборудование
Современное дорогостоящее оборудование
Высококомпетентный персонал
Высококомпетентный персонал
Специальные цены для компаний - членов АППСАН
Специальные цены для компаний - членов АППСАН

Нас выбирают


Отзывы